FABRIC EXPANSION JOINT
(RECTANGULAR WITH STEEL FLANGES)
ENQUIRY FORM

The fabric expansion joint with steel flanges is a versatile and robust engineering solution designed to accommodate movement and thermal expansion in industrial piping and ducting systems. Combining flexible fabric materials with sturdy steel flanges, these joints provide a reliable connection between adjacent components while allowing for expansion and contraction during temperature fluctuations. The steel flanges ensure a secure and leak-proof attachment, making these expansion joints suitable for various applications in power generation, petrochemical, HVAC, and other industries. Their ability to absorb vibrations and compensate for movements makes them vital components in optimizing system performance and prolonging the lifespan of critical equipment.

Request A Quote

If you require a tailor-made protective cover that offers exceptional performance, just complete the form below with your details, and we'll be pleased to offer you acomplimentary price estimate.

Customer Details

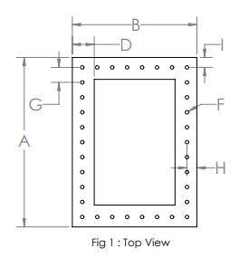
Top Flange Dimension

Bottom Flange Dimension

Scroll to Top